Sponsored by AIA Dallas, the competition brief called for a re-configurable framework to bring together the local queer and design communities through their LGBTQIA+ Alliance. At a time when the art of drag was coming under public scrutiny, AIA proposed an event to celebrate creativity, after which the completed stage was donated to a local troupe of performers to be deployed throughout the city. Our team proposed a multi-level landscape composed of iconography and raw materials typical of a construction site. High visibility yellow and orange striping, unfinished plywood, scaffolding, and construction fencing are augmented by white mesh fabric and integrated lighting and compliment recycled linoleum flooring material that was donated at cost by a partner manufacturer. We worked alongside the construction team, volunteering our time for the build and coordinating install of the stage at a local showroom.
DALLAS TX 2023
SET THE STAGE
Winner Best Stage Design, AIA Set the Stage Competition
Stage Axonometric
Material Concept
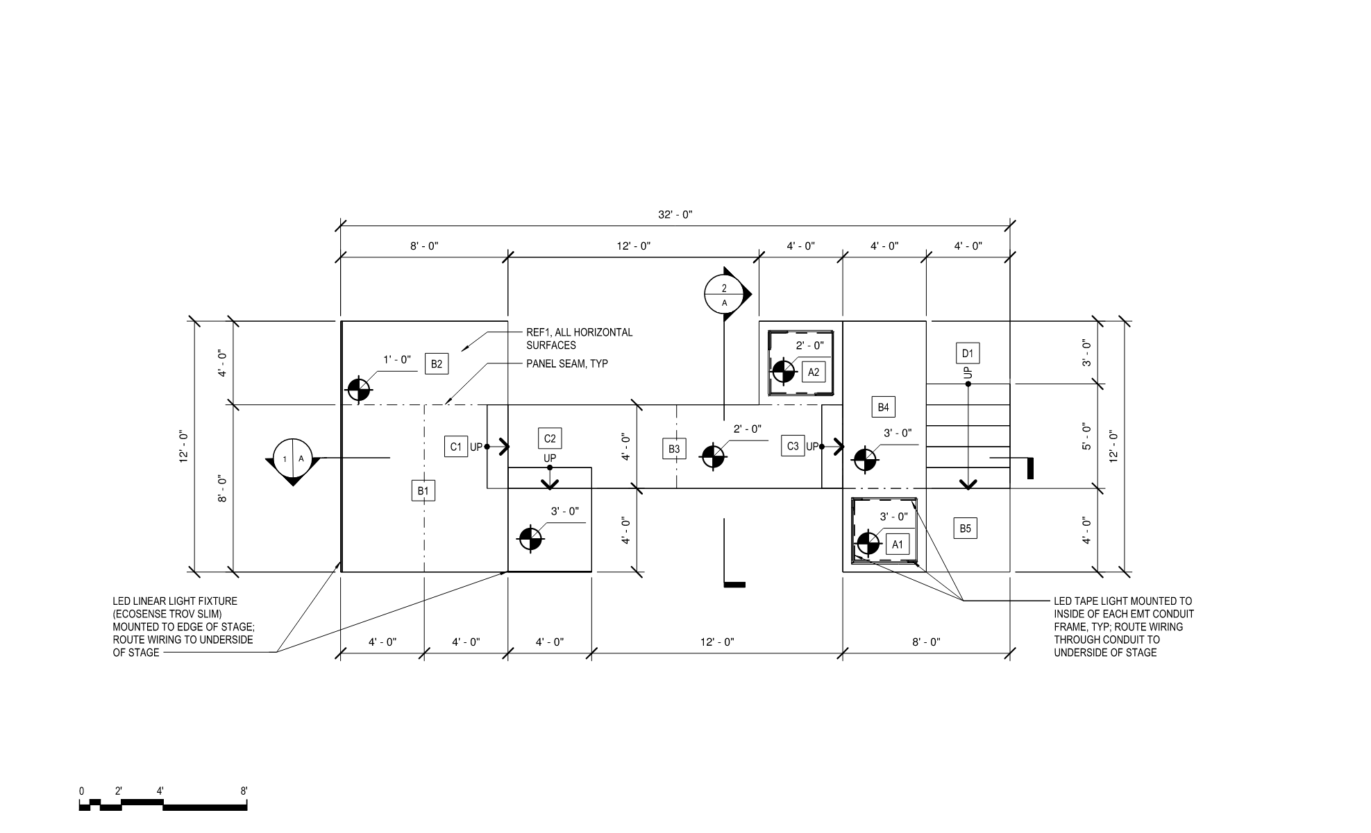
Stage Plan
Stage Sections
Our design team worked closely with the fabricators throughout the build process.
Competition rendering.
Final install.
Project designed in collaboration with talented colleagues at Perkins&Will Dallas.
Project Role: Project Designer
Team:
Jack Thomas, Candon Murphy, Eileen Skeen, David Sacha, Anne Marie Ulrich, Bryan Perry, David Gonzales.

